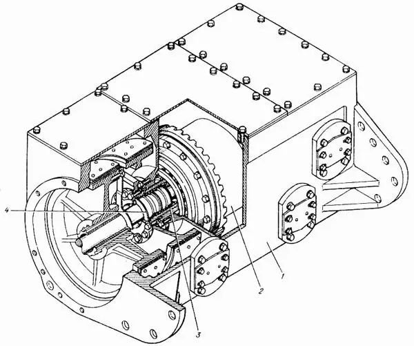
Мост задний

№ | Номер детали | Наименование детали |
МТ4.38.045Р | Задний мост со вторичным валом | |
04.38.012А | Механизм планетарный в сборе | |
МТ4.38.016 | Шестерня солнечная | |
04.38.015А | Уплотнение в сборе |

№ | Номер детали | Наименование детали |
- | 04.38.048-Р | Сателлит с осью, роликами и шайбами |
- | МО4.38.002-1 | Водило с сателлитом |
МТ4.38.016 | Шестерня солнечная | |
04.38.015А | Уплотнение в сборе | |
Т4.38.103-1А | Барабан тормозной | |
Т4.38.155-1 | Пластина замковая | |
Т4.38.311 | Болт | |
04.38.017-1 | Стакан | |
04.38.554 | Сухарик | |
04.38.237-1 | Пружина | |
АСК60-2 | Пружина | |
04.38.552 | Манжета | |
04.38.553 | Кольцо | |
04.38.240 | Кольцо стопорное | |
АСК65-2 | Пружина | |
04.38.232-2 | Кольцо | |
04.38.112А | Прокладка | |
04.38.571 | Стопор | |
04.38.231А | Кольцо | |
04.38.230 | Кольцо уплотнительное | |
Подшипник 230Л ГОСТ 8338-75 | Подшипник 230Л ГОСТ 8338-75 | |
МО4.38.106-1 | Водило | |
04.38.187 | Шайба | |
Ролик 4х39,85АЗ ГОСТ 6870-81 | Ролик 4х39,85АЗ ГОСТ 6870-81 | |
МО4.38.102 | Сателлит | |
Проволока 4-0-1Ц ГОСТ 3282-74, L=54мм | Проволока 4-0-1Ц ГОСТ 3282-74, L=54мм | |
МО4.38.103-1 | Ось сателлита | |
04.38.109-3 | Шестерня коническая ведомая | |
04.38.114-3 | Прокладка регулировочная | |
04.38.115-3 | Прокладка регулировочная | |
04.38.181 | Прокладка регулировочная | |
04.38.011-3 | Корона | |
04.38.171-2 | Пластина замковая | |
04.38.155-1 | Болт М14х1,5 | |
04.38.120 | Кольцо разрезное | |
04.38.107-3 | Стакан левый | |
04.38.180 | Кольцо упорное | |
04.38.241 | Кольцо маслоотражательное | |
1-120х146-12Ф | Манжета | |
Т4.38.117 | Шестерня солнечная | |
Шайба 12ОТ 65Г 096 ГОСТ 6402-70 | Шайба 12ОТ 65Г 096 ГОСТ 6402-70 | |
Болт М12-6gх35.88.016 ГОСТ 7796-70 | Болт М12-6gх35.88.016 ГОСТ 7796-70 | |
Болт М8-6gх12.88.016 ГОСТ 7796-70 | Болт М8-6gх12.88.016 ГОСТ 7796-70 | |
04.38.238 | Кольцо уплотнительное |

№ | Номер детали | Наименование детали |
Болт М12-6gх35.88.016 ГОСТ 7796-70 | Болт М12-6gх35.88.016 ГОСТ 7796-70 | |
Т4.38.002-3А | Лента тормоза | |
Т4.38.012-5 | Ветвь сбегающей ленты тормоза | |
Гайка М10-6Н.6.016 ГОСТ 5915-70 | Гайка М10-6Н.6.016 ГОСТ 5915-70 | |
Шайба 10 65Г 096 ГОСТ 6402-70 | Шайба 10 65Г 096 ГОСТ 6402-70 | |
Т4.38.011-5 | Набегающая ветвь ленты | |
Т4.38.181 | Болт | |
Т4.38.112-5 | Лента сбегающей ветви | |
Т4.38.114-5 | Накладка сбегающей ветви | |
Т4.38.136-4 | Накладка набегающей ветви | |
Т4.38.113-5 | Лента набегающей ветви | |
Т4.38.141-1 | Ушко пружины | |
Заклепка 6х14.01 ГОСТ 10300-80 | Заклепка 6х14.01 ГОСТ 10300-80 | |
Заклепка 8х24.01 ГОСТ 10300-80 | Заклепка 8х24.01 ГОСТ 10300-80 | |
Заклепка 2-4х12.32 ГОСТ 12642-80 | Заклепка 2-4х12.32 ГОСТ 12642-80 | |
04.38.144-6А | Проушина малая | |
04.38.143-7 | Проушина большая | |
04.38.152-1 | Гайка регулировочная | |
04.38.150 | Ось | |
04.38.145-2 | Болт тормозной ленты | |
Шплинт 5х45.016 ГОСТ 397-79 | Шплинт 5х45.016 ГОСТ 397-79 | |
04.38.189 | Ось проушины набегающей ветви | |
04.38.158 | Ось проушины сбегающей ветви | |
Шайба 12 65Г 096 ГОСТ 6402-70 | Шайба 12 65Г 096 ГОСТ 6402-70 |

№ | Номер детали | Наименование детали |
- | МТ4.38.002 | Кронштейн левый |
- | МТ4.38.004 | Кронштейн в сборе |
Шайба 12 65Г 096 ГОСТ 6402-70 | Шайба 12 65Г 096 ГОСТ 6402-70 | |
Масленка 2.3.45.Ц6 ГОСТ 19853-74 | Масленка 2.3.45.Ц6 ГОСТ 19853-74 | |
МТ4.38.106 | Рычаг | |
Шпонка 8х11 ГОСТ 24071-80 | Шпонка 8х11 ГОСТ 24071-80 | |
Шплинт 3,2х20.016 ГОСТ 397-79 | Шплинт 3,2х20.016 ГОСТ 397-79 | |
МТ4.38.105 | Рычаг | |
МТ4.38.108 | Кулиса | |
Т4.40.106 | Ось | |
МТ4.38.103 | Валик | |
Т4.40.200А | Втулка | |
МТ4.38.101 | Кронштейн | |
Болт М16-6gх45.88.016 ГОСТ 7796-70 | Болт М16-6gх45.88.016 ГОСТ 7796-70 | |
Шайба 16ОТ 65Г 096 ГОСТ 6402-70 | Шайба 16ОТ 65Г 096 ГОСТ 6402-70 | |
МТ4.38.104 | Рычаг | |
МТ4.38.109 | Кулиса | |
Т4.40.105 | Вилка | |
Гайка М12х1,25-6Н.6.016 ГОСТ 5915-70 | Гайка М12х1,25-6Н.6.016 ГОСТ 5915-70 | |
МТ4.38.110 | Тяга | |
МТ4.38.117 | Пружина | |
МТ4.38.003 | Кронштейн правый | |
МТ4.38.006 | Валик | |
04.38.025 | Труба направляющая в сборе | |
МТ4.38.120 | Упор | |
Шайба 12.01.016 ГОСТ 11371-78 | Шайба 12.01.016 ГОСТ 11371-78 | |
МТ4.38.116 | Пружина | |
МТ4.38.114 | Рычаг тормоза солнечной шестерни | |
04.38.156-1 | Рычаг остановочного тормоза | |
МТ4.38.112 | Упор | |
МТ4.38.113 | Упор | |
МТ4.38.007 | Труба | |
МТ4.38.11а | Пружина | |
МТ4.38.111 | Тяга | |
МТ4.38.119 | Пружина | |
А36-18 | Шайба | |
МТ4.38.102 | Валик | |
МО4.13.112 | Ось | |
МТ4.38.107 | Рычаг | |
Болт М12-6gх45.88.016 ГОСТ 7796-70 | Болт М12-6gх45.88.016 ГОСТ 7796-70 |

№ | Номер детали | Наименование детали |
- | МТ4.38.100-01 | Корпус заднего моста (поставляется для тракторов с ВОМ) |
- | Т4.38.004 | Крышка центральная в сборе |
- | Т4.38.046Р | Ведомая шестерня со вторичным валом |
Шайба 12 65Г 096 ГОСТ 6402-70 | Шайба 12 65Г 096 ГОСТ 6402-70 | |
МТ4.38.100 | Корпус заднего моста | |
Т4.38.115 | Крышка боковая | |
Болт М12-6gх25.88.016 ГОСТ 7796-70 | Болт М12-6gх25.88.016 ГОСТ 7796-70 | |
Т4.38.121-1 | Прокладка | |
Т4.38.009 | Крышка центральная | |
04.57.014 | Сапун в сборе | |
04.57.125А | Прокладка сапуна | |
Т4.54.111 | Болт | |
Т4.38.161 | Пластина стопорная | |
15.41.033 | Пружина фиксатора | |
Т4.38.143-1 | Пружина | |
04.38.168 | Штифт | |
Шплинт 2х12.016 ГОСТ 397-79 | Шплинт 2х12.016 ГОСТ 397-79 | |
Т4.38.142 | Штифт пружины | |
04.38.157-2 | Кронштейн управления тормозами | |
Шайба 14ОТ 65Г 096 ГОСТ 6402-70 | Шайба 14ОТ 65Г 096 ГОСТ 6402-70 | |
Болт М14-6gх35.88.016 ГОСТ 7796-70 | Болт М14-6gх35.88.016 ГОСТ 7796-70 | |
04.38.007-2 | Крышка | |
04.38.151-1 | Прокладка | |
Болт М10-6gх18.88.016 ГОСТ 7796-70 | Болт М10-6gх18.88.016 ГОСТ 7796-70 | |
Шайба 10ОТ 65Г 096 ГОСТ 6402-70 | Шайба 10ОТ 65Г 096 ГОСТ 6402-70 | |
Пробка КГ1/2"12.016 ОСТ 23.1.117-83 | Пробка КГ1/2"12.016 ОСТ 23.1.117-83 | |
54.38.643 | Кольцо уплотняющее | |
54.38.028-2 | Пробка магнитная | |
Пробка КГ3/8"А12.016 ОСТ 23.1.117-83 | Пробка КГ3/8"А12.016 ОСТ 23.1.117-83 | |
Штифт 12m6х30 ГОСТ 3128-70 | Штифт 12m6х30 ГОСТ 3128-70 | |
Т4.38.104 | Шайба |